Aspirators / Fans
Measuring Instruments
Cam Switches / Toggle Switches
Empty Plastic Enclosures
Heating, ventilation, cooling
Lighting fixtures, LED Bulbs
Optical and Acoustic Signaling
Terminal Blocks
Compensation Components
Instrument Current Transformers
Level Controllers
Protocol Converters
Sockets, Plugs, and Extensions
Temperature Regulators and Sensors
Protection Relay
Time Relays
Back to products
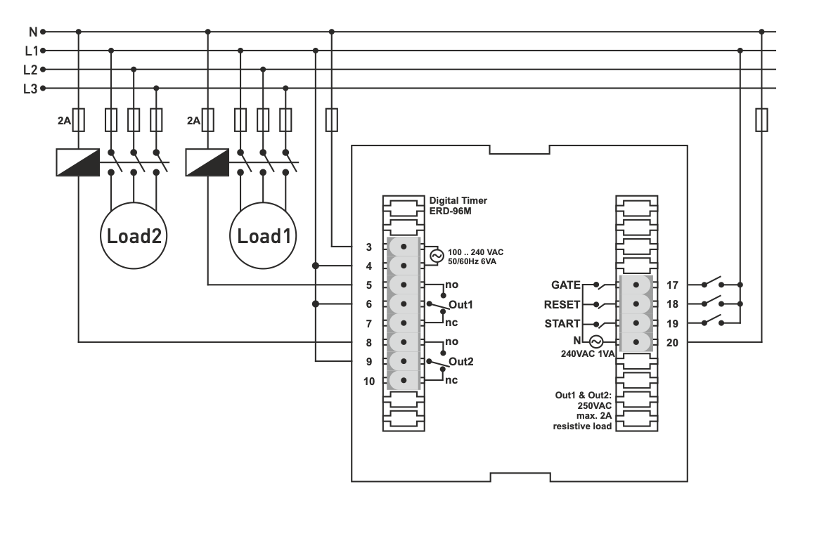
Time cyclic + ON-DELAY relay LED display for panel/door mounting 230VAC
Price range: 1 409,00 Kč through 1 952,00 Kč
Description
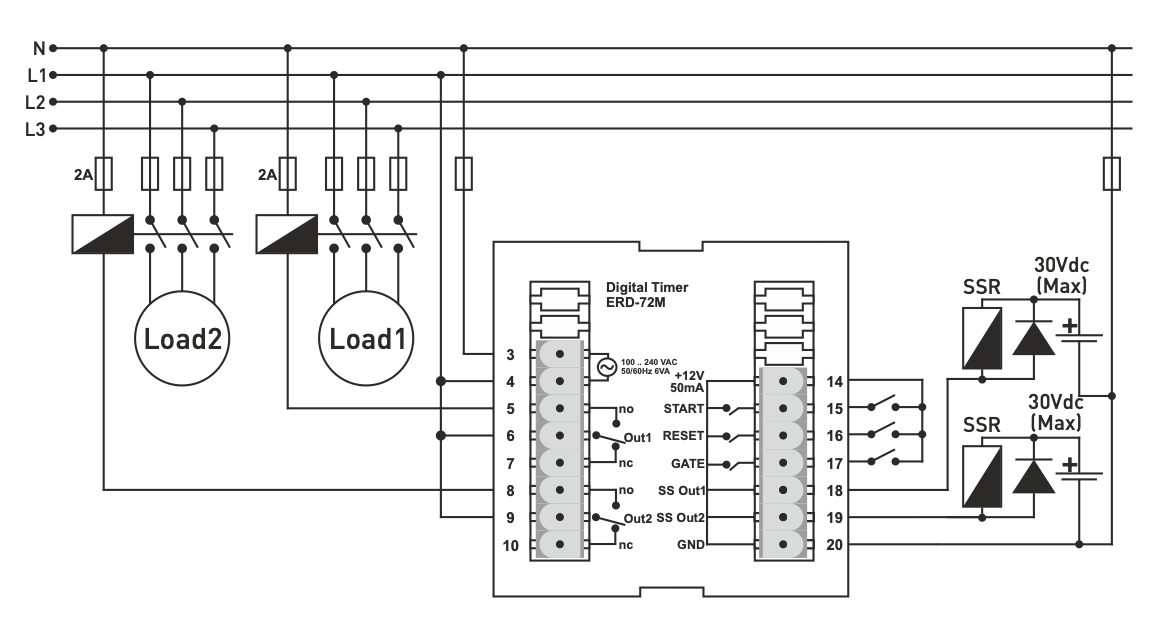
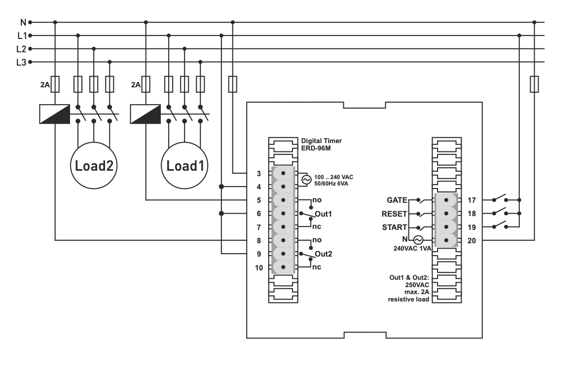
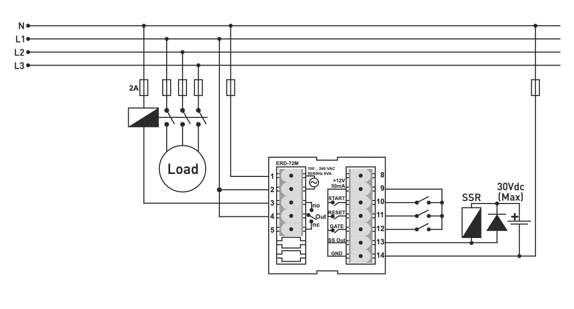
Multifunctional time relay 2×4 LED display for panel/door mounting. TENSE ERD-96M, ERD-48M, ERD-72M
Time relay with eight functions :
Mode 0: Pulsed Delay, OFF with RESET
Mode 1: Flashing with START/RESET
Mode 2: One Shot after ON and OFF
Mode 3: OFF Delay
Mode 4: Follow & ON Delay
Mode 5: Delayed One Shot after OFF
Mode 6: Chronometer – Count with START
Mode 7: Chronometer – Count with START, Reset with RESET
Time Setting Range:
99:59 hours / 99:59 minutes / 599.9 seconds
Technical data
Switching contact: max. 5A/250VAC
Operating frequency: 50/60 Hz.
Operating power: <5VA
Operating temperature: -20 °C …. +55 °C
Connection type: Plug-in terminal
Fixing: Plug-in connector Clamp: clamping yoke
