Regulátor termostat teploty pro montáž do panelu ON - OFF s externím čidlem

SKU: DT-321 EAN: 8682139192485

910,00 

4 skladem

Popis

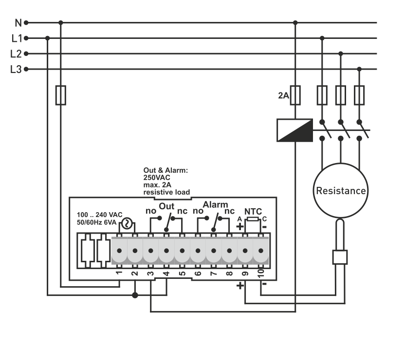
Termostat / 2bodový regulátor teploty pro montáž do panelu ON-OFF režim ovládání,

termostat s externím čidlem, rozsah měření -30ºC ...+150ºC, rozlišení / krok 1ºC (vyrobeno v Turecku, TENSE) DT-321

Regulace a monitoring termických procesů vytápění, klimatizací a větracích systémů, automatizace budov, průmyslových závodů.

  • Typ snímače: NTC

  • Výstupy relé OUT a ALARM (NO+NC) 250VAC, 2A

  • Volitelná funkce vytápění a chlazení

  • Hystereze
  • Nastavitelné časovače ON/OFF pro výstup OUT v případě poruchy senzoru

  • Ochrana proti kompresi díky nastavitelným časům vypnutí
  • Horní a dolní limit pro nastavení SET a ALARM

  • Nastavitelná samostatná hystereze pro nastavení SET a ALARM

  • Zpoždění zapnutí pro OUT v režimu chlazení

  • Paměť EEPROM pro uložení nastavení

  • Ochrana heslem

  • Vysoká přesnost

Tento jednoduchý regulátor teploty můžete použít se třemi typy čidel prezentovanými na našem webu

Technical data

Sensor type:NTC

Operating voltage:100-240 VAC

Operating power:<6VA

Operating temperature:0 °C .... +50 °C

Connection type:Plug-in terminal

Fixing:Clamp: clamping yoke