Aspirátory / Ventilátory
Měřicí technika pro rozváděče
Vačkové spínače / Páčkové spínače
Prázdné plastové kryty
Topení, větrání, chlazení
Světelné zdroje
Optická a Akustická signalizace
Svorkovnice
Komponenty pro kompenzaci
Přístrojové transformátory proudu
Hladinové regulátory
Převodníky protokolu
Zásuvky, zástrčky a prodlužovací kabely
Regulátory teploty a senzory
Ochranné relé
Časová relé
Popis
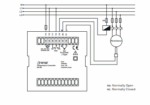
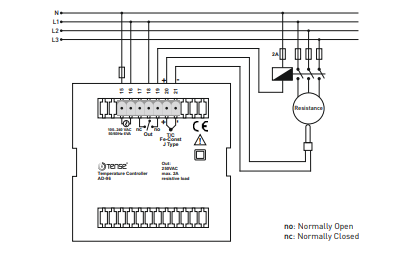
Termostat/ 2bodový regulátor teploty pro montáž do panelu ON/OFF ZAP/VYP nebo Proporcionální režim ovládání, rozsah měření 0°C ... +400°C, rozlišení / krok 1ºC (vyrobeno v Turecku, TENSE)
Regulace a monitoring termických procesů vytápění, klimatizací a větracích systémů, automatizace budov, průmyslových závodů.
Typ snímače: J typ, Fe-Const, T/C
Výstupy relé OUT (NO+NC) 250VAC, 2A
- Hystereze
Paměť EEPROM pro uložení nastavení
Nezapomeňte si prosím objednat naše teplotní čidla - termočlánek typu J Fe-Const (metrický 6/8) se stupnicí měření teploty: -100 °C – +600 °C. Může být s kabelem 1 m, 1,5 m, 2 m, 2,5 m, 3 m, 4 m a 5 metrů dlouhý
Technical data
Sensor type:J, T/C, Fe-Const
Operating voltage:100-240 VAC
Operating power: <6VA
Operating temperature:-20 °C .... +50 °C
Connection type:Plug-in clamp
Fixing: Plug-in module: Plug-in module for mains connection:Clamp: clamping yoke
