Aspirátory / Ventilátory
Měřicí technika pro rozváděče
Vačkové spínače / Páčkové spínače
Prázdné plastové kryty
Topení, větrání, chlazení
Světelné zdroje
Optická a Akustická signalizace
Svorkovnice
Komponenty pro kompenzaci
Přístrojové transformátory proudu
Hladinové regulátory
Převodníky protokolu
Zásuvky, zástrčky a prodlužovací kabely
Regulátory teploty a senzory
Ochranné relé
Časová relé
Popis
18 kroků + TCR Regulátor účiníku pro symetrické / asimetrické sítě s 5 palcový dotykový displej a RS-485 (TENSE)
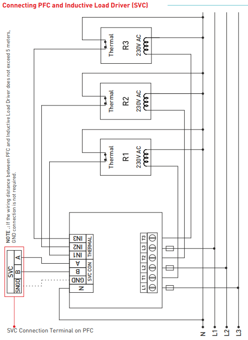
Relé pro řízení jalového výkonu jsou navržena za účelem snížení jalového výkonu (indukčního a kapacitního), který není využíván zátěží a je odebírán ze sítě. Pokud je ze sítě odebírán indukční výkon, zasahuje odebíráním kondenzátoru ve vhodné hodnotě. Je-li kapacitní výkon odebírán ze sítě, zasahuje odebíráním bočníkové tlumivky ve vhodné hodnotě. Snaží se tímto způsobem snížit indukční/aktivní a kapacitní/aktivní rychlosti systému. Je navržen tak, aby poskytoval rozumnější kompenzaci u nesymetrických indukčních a kapacitních systémů s krokem RGT-MT18 TCR
Vstup generátoru a kompenzace generátoru
Napětí, harmonický proud/napětí, indukční a kapacitní alarmový výstup
Doby zásahu, vybíjení a usazování lze nastavit
Vzdálená komunikace s RS485 (RS485 ModBus RTU)
Lze připojit jednofázový, dvoufázový a třífázový kondenzátor a bočníkový reaktor
Harmonické napětí a proud lze pozorovat až do 61. harmonických
Lze sledovat celkové energie (import/export)
Hodnoty THD-V a THD-I každé fáze lze pozorovat
Vytváření analýzy výkonu (20 vzorků 9999 min.) - pro výběr kondenzátorů
Výstup teplotního alarmu
Registrace poptávky (aktivní a reaktivní a zdánlivý výkon a aktuální poptávka)
Lze sledovat minimální, maximální a průměrné hodnoty proudu a napětí každé fáze
Skutečné datum a čas
Technical data
Installation:on the front panel
Mounting hole:140 mm x 140 mm
Connection type:plug-in clamp
Fixing: plug for socket:Fixing: clamping yoke
