Regulátor pro jednofázové čerpadlo do 30A

SKU: MDK-02 EAN: 8682139101012

2 434,00 

Popis

Jednofázový regulátor ponorného čerpadla do vrtů, 140 V–280 V AC, 60 A, Tense

Kód: MDK-02

Elektrody (snímače hladiny kapaliny) nejsou součástí dodávky.

Tento regulátor je navržen tak, aby chránil ponorná čerpadla do vrtů před různými potenciálními problémy, které se mohou vyskytnout během provozu, jako jsou napěťové a proudové přepětí, nedostatek vody ve vrtu nebo studni a přetížení čerpadla. Vestavěné funkce vám také umožňují sledovat hladinu naplnění zásobníku, nastavovat časová zpoždění pro nouzové situace a regulovat nárazové proudy.

Princip fungování regulátoru.

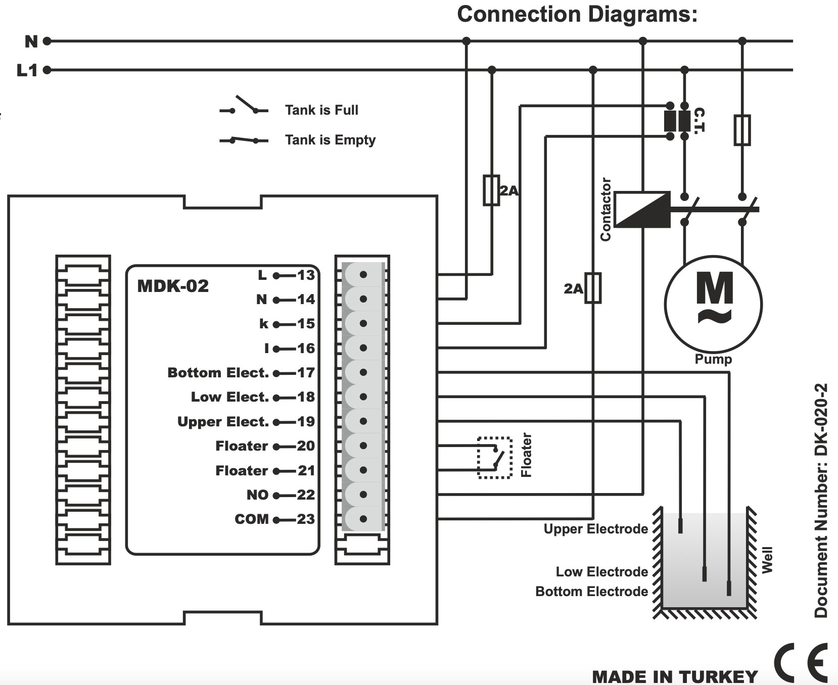
Před připojením zařízení si prosím přečtěte část „Důležité!“. Připojte senzory a proudový transformátor k zařízení podle schématu zapojení (obr. 1) a poté připojte napájení. Zkontrolujte, zda továrně nastavené parametry odpovídají provozním parametrům vašeho čerpadla. V případě potřeby lze změnit následující parametry:

(P1) – maximální přípustná hodnota napětí

(P2) – maximální přípustná hodnota proudu

(P3) – minimální přípustná hodnota napětí

(P4) – minimální přípustná hodnota proudu

(P5) – zpoždění reakce na chybu

(P6) – doba automatického resetu po proudové chybě

(P7) – koeficient proudu (násobitel) pro interval spouštění

(P8) – doba intervalu spouštění

(P9) – počet automatických resetů proudové chyby, po kterých zařízení přejde do nouzového režimu a vyžaduje zásah obsluhy

(P10) – doba zpoždění reakce horního senzoru (delší doba – čerpadlo se zapne méněkrát – prodlužuje životnost čerpadla)

Po prvním připojení k napájení zařízení čeká 4 sekundy, poté analyzuje parametry sítě a jejich soulad se zadanými parametry a analyzuje, zda je ve studni voda. Kontroluje se, zda je v akumulační nádrži dostatek místa ve studni a zda je regulátor v režimu „START“ (spodní zelený indikátor svítí) (svítí), sepne ovládací kontakty a rozsvítí se horní zelený indikátor "čerpadla". Na displeji se zobrazí aktuální hodnoty napětí a proudu.

Režim "START": Pro vstup do tohoto režimu stiskněte tlačítko START.

Režim "STOP": Pro vstup do tohoto režimu stiskněte tlačítko STOP. V tomto režimu zařízení neprovádí žádnou regulaci a nespustí čerpadlo.

Nastavení parametrů:

Stiskněte tlačítko MENU pro vstup do menu nastavení parametrů. Budete přesměrováni na první stránku parametrů (P1). Horní displej zobrazuje číslo parametru a spodní displej zobrazuje hodnotu tohoto parametru. Hodnoty parametrů můžete změnit stisknutím tlačítek NAHORU a DOLŮ. Poté stiskněte tlačítko MENU pro uložení vybrané hodnoty nebo RESET pro opuštění menu. Nezapomeňte, že stisknutím tlačítka RESET se hodnota parametru zobrazená na displeji neuloží, ale změny předchozích parametrů se uloží. Pokud nestisknete žádné tlačítko po dobu 50 sekund, zařízení opustí menu bez uložení hodnoty parametru zobrazené na displeji.

Důležité!!! Před připojením zařízení si prosím přečtěte tuto část:

- Řídicí jednotka ponorného čerpadla musí být připojena podle schématu zapojení uvedeného v technickém listu produktu.

- Ujistěte se, že kapalina, kterou má čerpadlo čerpat, není hořlavá ani výbušná.

- Pokud se používá systém se dvěma hladinovými senzory, musí být zapojeny vstupy horního a středního senzoru.

- Teplota v místě instalace regulátoru musí být vyšší než 0 °C.

- Nikdy nepřipojujte napětí na vstupy regulátoru pro připojení plovákového spínače.

- Ujistěte se, že je těleso čerpadla uzemněno, jinak může dojít k poškození regulátoru čerpadla.

Technické informace:

Provozní napětí: 140–280 V AC

Frekvence: 50 Hz

Rozsah proudu: 0,5–60 A

Spotřeba energie: <4 W

Citlivost na kapaliny: <50 kOhm

Třída ochrany: IP40

Rozsah provozních teplot: -5 °C– +55 °C

Průřez kabelu: max. 1,5 mm2

Hmotnost: 0,325 kg

Instalační otvor: 91 x 91

Instalační výška: méně než 2000 m

Stáhnout

User manual