Aspirators / Fans
Measuring Instruments
Cam Switches / Toggle Switches
Empty Plastic Enclosures
Heating, ventilation, cooling
Lighting fixtures, LED Bulbs
Optical and Acoustic Signaling
Terminal Blocks
Compensation Components
Instrument Current Transformers
Level Controllers
Protocol Converters
Sockets, Plugs, and Extensions
Temperature Regulators and Sensors
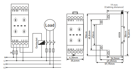
Protection Relay
Time Relays
Three-phase monitoring/protection relay for overvoltage, undervoltage, sequence/fault control
Price range: 1 129,00 Kč through 1 154,00 Kč
Three-phase monitoring/protection relay for overvoltage, undervoltage, sequence/fault control
Price range: 1 374,00 Kč through 1 409,00 Kč
Description
Three-phase monitoring/protection relay for overvoltage, undervoltage control with timer. Protective monitoring relay GKM-11 (TENSE)
Voltage control relays are designed to protect equipment with sensitive operating voltages from damage caused by line voltage
- Overvoltage: 230V – 300V AC (adjustable)
- Undervoltage: 150V – 210V AC (adjustable)
-
Timer: 0.1 sec. – 20 sec.(adjustable)
-
DIN rail mounting
-
Width 35.6 mm
