Aspirátory / Ventilátory
Měřicí technika pro rozváděče
Vačkové spínače / Páčkové spínače
Prázdné plastové kryty
Topení, větrání, chlazení
Světelné zdroje
Optická a Akustická signalizace
Svorkovnice
Komponenty pro kompenzaci
Přístrojové transformátory proudu
Hladinové regulátory
Převodníky protokolu
Zásuvky, zástrčky a prodlužovací kabely
Regulátory teploty a senzory
Ochranné relé
Časová relé
Mikroprocesorový krokový / profilový regulátor teploty PID
Price range: 1 904,00 Kč through 1 922,00 Kč
Popis
|
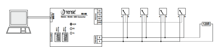
Převodník
protokolu RS485/RS232 na USB. Převodník protokolu/brána pro připojení
zařízení s portem RS (MODBUS) k počítači přes USB port (sb konektor).
USB-CON. TENSE Turecko Převodník
protokolu USB-CON vyrobený tureckou společností TENSE je kompaktní brána pro
připojení jakýchkoli zařízení s portem RS485/RS232 (MODBUS) k počítači přes
USB port. Můžete připojit zařízení, jako jsou elektroměry, multimetry, síťové
analyzátory a další zařízení.
Brána
RS485 RS232 / USB nevyžaduje samostatné napájení (převodník je napájen přes
USB port) a má následující parametry:
malé
rozměry převodníku protokolu - 9 cm x 6 cm x 3 cm; rychlé
připojení přes svorkovnice; sada
převodníku obsahuje USB kabel (1,2 m); připojení
k 256 zařízením s RS485/ModBus; světelná
indikace napájení/výměny dat; vysoká
rychlost výměny dat - až 203400 bit/s; galvanicky
oddělené výstupy/vstupy široký
rozsah provozních teplot: -20°C...+55°C (ve většině případů nevyžaduje
dodatečné vytápění ani chlazení); |
bezplatný software pro konfiguraci brány.
