Elektronické počítadlo pulzů / Počítadlo impulzov

SKU: DS-48 EAN: 8682139191013

1 666,00 

Popis

Podrobný popis

Čítač impulsů pro panel DS-48

(2x 4místný displej: 1x čítač, 1x cílová hodnota)

Obecná specifikace čítače impulsů DS-48:

2x 4místný displej, 1x přednastavená hodnota,

1x výstupní relé OUT,

počítadlo hodin/dolů

Počítá signály z mechanických spínačů, indukčních PNP/NPN senzorů přiblížení a vstupů z inkrementálního enkodéru.

Ochrana heslem.

Volitelná vstupní frekvence: 20, 50, 2500, 7500 Hz

Kalibrační konstanta: 0,001.....9,999

Volitelná desetinná čárka: 0, 0,0, 0,00, 0,000

Možnosti kombinování funkcí: 7 vstupních funkcí / 9 výstupních funkcí:

- počítání,

- odpočítávání dolů,

- sčítání/počítání ze dvou vstupů současně,

- pauza v počítání/počítání řízená druhým vstupem,

- negace vstupu řízená druhým vstupem,

- sčítání/odčítání od náběžné hrany / sestupné hrany / obou hran současně,

- sčítání náběžné hrany / odčítání sestupné hrany / negace funkce s druhým vstupem

Nastavitelný "OFFSET" vypočítané hodnoty

VÝSTUPNÍ relé: sepne se po dosažení hodnoty a drží se do RESETU, nebo impulsu v rozsahu 0,1.....999,9 sekund

Pamatuje si hodnotu počtu pulzy a stav výstupního relé OUT při posledním výpadku napájení a lze jej obnovit po prvním zapnutí.

RESET tlačítkem na předním panelu nebo signálem na svorce RESET (12).

Paměť EEPROM pro ukládání nastavení.

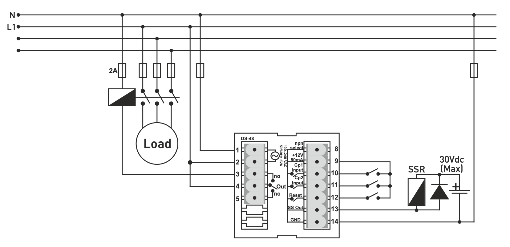
Poznámky k instalaci:

Použijte stíněný a kroucený signální kabel a stínění uzemněte. Udržujte všechny signální kabely mimo dosah jističů, indukčních zátěží, zařízení/kabelů, které vydávají elektrický šum, a napájecích kabelů.

Zabraňte vlivům prostředí, jako je vlhkost, vibrace, znečištění a vysoká/nízká teplota.

Na síťovém/napájecím vstupu zařízení použijte pojistku (F250mA 250VAC).

Pro napájení použijte vhodný kabel. Během instalace dodržujte bezpečnostní předpisy.

Před enkodérem použijte přednostně možnost (Inpt = Phs1), vyberte (Frequency = 20) pro počítání pulzů mechanického spínače ON-OFF,

vyberte optimální minimální vstupní frekvenci, která vyhovuje vaší aplikaci.

Pre Inpt = 1u2u, 1u2d, Phs2; frekvence vstupního signálu musí být maximálně ½ zvolené vstupní frekvence, pokud jsou použity oba vstupy.

Pre Inpt = Phs4; frekvence vstupního signálu nesmí být větší než 1/4 zvolené vstupní frekvence, pokud jsou použity oba vstupy.

Technické parametry:

Rozměry /​​otvor: 48x48x96 mm / 44x44 mm

Displej: 2x4místný 7segmentový LED displej.

Počet vstupů: 2 x (Max: 7500 Hz, 5-30 V)

Typ vstupu: mechanický spínač, indukční senzor PNP/NPN, výstup enkodéru NPN/PNP/totem-pole

Vstupní frekvence: 20, 50, 2500, 7500 Hz.

Výběr NPN senzoru: Před NPN připojte svorku „npn select“ (8) ke svorce „+12V“ (9) a poté vyberte NPN senzor připojený ke vstupu Cp1(10) a Cp2 (11).

Resetovací vstup je vždy PNP.

Před totemovými nebo PNP senzory se „npn select“ nepřipojí.

Resetovací signál: svorka (12), minimálně 10 ms, + signál (pouze PNP) (5.....30 V)

Napájecí napětí: 100...240 V AC, 50-60 Hz.

Spotřeba energie: < 8 VA

Výstup (OUT):

1x relé SPDT 250VAC, 2A, odporová zátěž, svorky 4=COM, 3=NO, 5=NC,

1x ovládání SSR - NPN, 30V, max. 100mA, svorka 13=SSout, 14=GND

Napájení senzoru: svorka (9) 12 VDC, 50 mA (max.), neregulované

Převáděcí teplota: -20°C ... +55°C

Nadmořská výška dozorce: <2000m

Technical data

Operating power:<8VA

Operating temperature:-20 °C .... +55 °C

Connection type:Plug-in clamp

Fixing: Plug-in connectorClamp: clamping yoke