|
Třífázové proudové relé pro kontrolu / omezení proudu zátěže v
rozsahu 90–200 A, výrobce TENSE (Turecko)
Digitální nadproudová relé TRM-200 jsou určena k ochraně zátěže před
poškozením způsobeným vysokými proudy a zároveň umožňují sledování provozu.
• 90–200 A (nastavitelná hodnota nadproudu) • 50% pevná asymetrie proudu • Nastavitelná doba zpoždění chyby • Nastavitelný provozní režim (automatický, poloautomatický, manuální) • Při zakoupení proudového relé značky TENSE získáte zařízení připravené k
okamžitému použití — součástí dodávky jsou proudové transformátory.
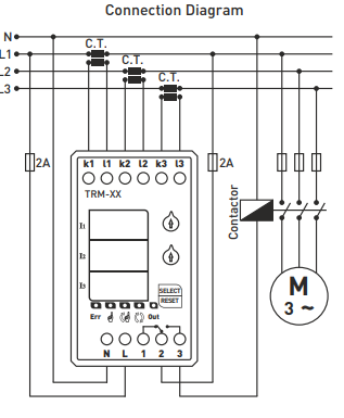
Použití zařízení a princip činnosti
- Připojte zařízení podle schématu zapojení.
- Po dokončení zapojení přiveďte napájení. Po
zapnutí displej zobrazí nastavené hodnoty po dobu 5 sekund.
- Pro nastavení hodnoty
nadproudu použijte regulátor „A>“. Nastavená hodnota se zobrazuje na
levém displeji.
- Pro nastavení doby zpoždění
použijte regulátor „t“. Nastavená hodnota se rovněž zobrazuje na levém
displeji.
Když je zařízení zapnuto: • Relé se sepne, výstupní kontakt se přepne na svorku 3 a rozsvítí se
indikátor OUT. • Pokud proud překročí nastavenou hodnotu nadproudu (A>), zařízení začne
odpočítávat dobu zpoždění a rozsvítí se indikátor ERR. • Po uplynutí nastavené doby se relé vypne, kontakt se přepne na svorku 1 a
indikátor OUT zhasne.
Popis
Elektronické proudové relé řady TRM-200 je
určeno pro automatické odpojení spotřebičů při překročení maximálně
přípustného proudu. Má programovatelný rozsah sepnutí, možnost nastavení doby zpoždění a času
zpětného zapnutí.
K dispozici
jsou 3 režimy návratu do pracovního stavu — MANUÁLNÍ, POLOAUTOMATICKÝ, AUTOMATICKÝ.
Režimy resetu (Reset Modes):
• Manuální režim: Po chybě nadproudu je nutné
zařízení resetovat stisknutím tlačítka Reset. V tomto režimu svítí
odpovídající LED kontrolka. • Poloautomatický režim: Systém se po chybě nadproudu automaticky resetuje
třikrát, poté čeká na ruční reset při další chybě. V tomto režimu svítí
odpovídající LED kontrolka. • Automatický režim: Systém se po každé chybě nadproudu resetuje automaticky.
V tomto režimu svítí odpovídající LED kontrolka.
Poznámka: Pro změnu režimu podržte tlačítko SELECT
po dobu 10 sekund. Po změně režimu se rozsvítí odpovídající LED kontrolka.
Asymetrie 50 % (pevná)
Pokud rozdíl mezi největším a nejmenším fázovým
proudem překročí 50 %, zařízení během 2 sekund přejde do režimu chyby
asymetrie. (Tímto se při provozu motoru zabrání poškození systému v případě výpadku
jedné z fází.)
Při chybě asymetrie: • Skupina displejů dvou fází, které poruchu způsobily, začne blikat a
rozsvítí se indikátor ERR. • Pro návrat z režimu chyby asymetrie je nutné zařízení resetovat ručně.
Technické parametry:
• Provozní napětí: 150–260 V AC • Provozní frekvence: 50/60 Hz • Příkon:< 6 VA • Provozní teplota: -20 °C až +55 °C • Displej: 3x3 číslice, 5 LED diod • Nastavení nadproudu (A>): 90–200 A • Doba zpoždění: 1 s – 200 s • Typ připojení: svorkové • Kontakty: 5 A / 250 V AC (aktivní zátěž) • Průměr vodiče: 2,5 mm² • Hmotnost: max. 250 g • Montáž: na DIN lištu • Nadmořská výška provozu:< 2000 m
Poznámka: Modely TRM-50, TRM-100, TRM-200 a TRM-300 lze používat pouze s proudovými transformátory, které jsou součástí dodávky. Model TRM-400 lze používat s proudovým transformátorem 400/5. Základní
|
Výrobce
|
Tense
|
|
Země
výroby
|
Turecko
|
|
Typ
instalace
|
Na
DIN lištu
|
|
Počet
rozpínacích kontaktů
|
1
ks.
|
|
Počet
spínacích kontaktů
|
1
ks.
|
|
Průřez připojovaných vodičů
|
2,5
mm²
|
|
Materiál pouzdra
|
Plast
|
|
Zobrazit
|
Ano
|
|
Mše
|
250
g
|
|
LED
dioda zapnutí/vypnutí
|
Ano
|
|
LED
dioda „Přetížení“
|
Ano
|
|
Úroveň
ochrany IP
|
30
|
|
Životnost
|
10
let
|
|
Technické specifikace
|
|
|
Počet
fází
|
3
|
|
Jmenovité
střídavé provozní napětí
|
220V
|
|
Jmenovitý
proud
|
5A
|
|
Jmenovitý
proud
|
3W
|
|
Minimální
provozní teplota
|
-20
stupňů
|
|
Maximální
provozní teplota
|
55
stupňů.
|
|
Celkové rozměry
|
|
|
Délka
|
85
mm
|
|
Výška
|
75
mm
|
|
Šířka
|
44
mm
|
|
Charakteristiky uživatelů
|
|
|
Doba
zpoždění
|
1
s - 200 s
|
|
Montáž
|
DIN+šrouby
|
|
Rozsah
|
90–200
A
|
|