Digitální ukazatel proudu třífázový panelový ampérmetr třífázový vestavný

SKU: DJ-A96T EAN: 8682139102255

1 409,00 

4 skladem

Popis

Podrobný popis

DJ-A96T třífázový digitální ampérmetr na panel

 

Ampérmetr pro sledování proudu v třífázovém systému s měřením proudu na jednotlivých fázích L1, L2, L3 pomocí externích proudových transformátorů.

Napájecí napětí: 230V AC, napětí zařízení <4VA

Rozsah proudu: 100mA...5,5A

Rozsah proudového transformátoru: 5/5A - 5000/5A

Presnosť měření +-2%

Balení neobsahuje proudové transformátory, můžete si je vybrat zde.

Dobře čitelný displej 3x4 číslice, výška 14 mm.

Rozměry 97,2x97,2mm pro výřez 91x91mm, hloubka 45mm

 

Princip činnosti a nastavení:

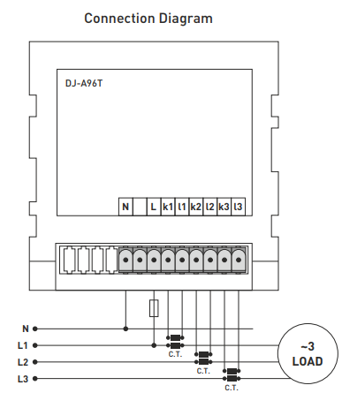
Připojte zařízení dle schématu zapojení.

Připojte proudové transformátory s poměrem xxxx/5A dle proudového zatížení vašeho systému. Připojte vodiče proudových transformátorů ke vstupním svorkám zařízení „kx“ a „lx“. Výstup z proudových transformátorů do ampérmetru může být maximálně 5 A.

Před zahájením měření zátěže, po zapnutí napájení, podržte tlačítko „Menu“ po dobu 2 sekund.

Nastavte převodový poměr použitých transformátorů pomocí tlačítek „Nahoru“-„Dolů“.

Pro uložení nastavení znovu podržte tlačítko „Menu“ po dobu 2 sekund.

Připojte zátěž a ampérmetr začne zobrazovat proud.

Z bezpečnostních důvodů je vždy nutné uzemnit měřicí transformátor.

Technické vlastnosti:

Typ relé: Polovodičové

Vstupní napětí: 3...32 V DC

Spínané: 24...480 V AC. Není určeno pro motory

Úbytek napětí: < 3 V

Spouštěcí proud: 5 mA

Napětí cívky: 3...32 V DC

Max. proud: 25 A

Elektrická pevnost izolace: 2500 V AC

Způsob ovládání: přepínání, když proud překročí nulu.

Technical data

Mounting dimension:91x91 mm

Measurement accuracy: ±%2

Provozní napětí (Un):150V - 240V AC

Operating frequency:50/60 Hz.

Operating power:<4VA

Connection type:Plug-in clamp

Operating temperature:-20 °C .... +55 °C

Fixing: Suitable for connection to the mains:Fixing: clamping yoke