Aspirátory / Ventilátory
Měřicí technika pro rozváděče
Vačkové spínače / Páčkové spínače
Prázdné plastové kryty
Topení, větrání, chlazení
Světelné zdroje
Optická a Akustická signalizace
Svorkovnice
Komponenty pro kompenzaci
Přístrojové transformátory proudu
Hladinové regulátory
Převodníky protokolu
Zásuvky, zástrčky a prodlužovací kabely
Regulátory teploty a senzory
Ochranné relé
Časová relé
Popis
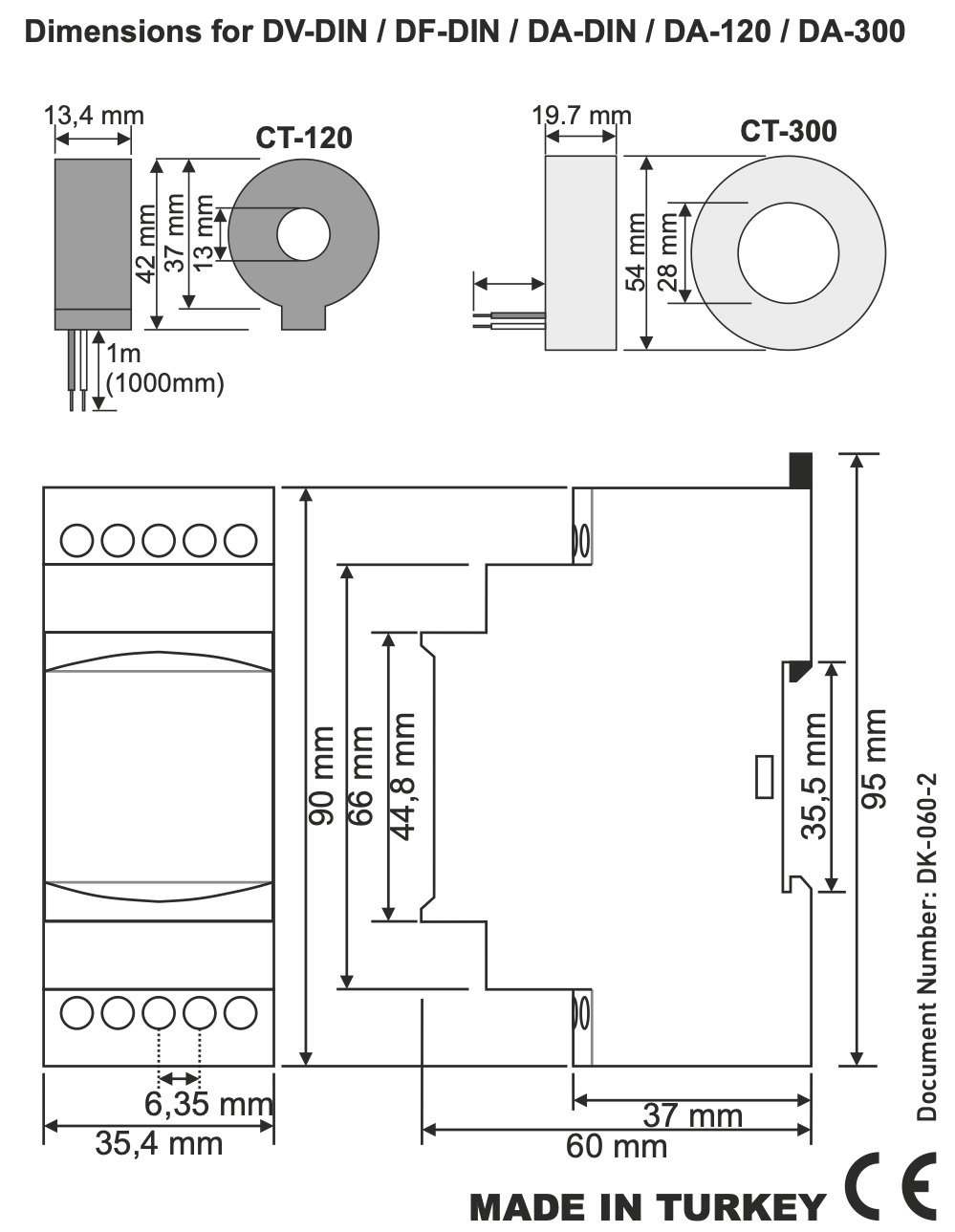
Ampérmetr digitální pro AC 100 nebo 250 ampérů True RMS, nepřímé měřen, měřicí transformátor součástí dodávky, panelová měřidla TENSE
Ampérmetr se montuje na standardní 35mm DIN lištu
Technical data
Measurement range:1A - 100A (DA-120), 2A - 250A (DA-300)
Measurement accuracy:±%3(A)
Provozní napětí (Un):140V-280V AC
Operating frequency:50/60 Hz.
Operating power: <3VA
Operating temperature:-20 °C .... +55 °C
