Aspirátory / Ventilátory
Měřicí technika pro rozváděče
Vačkové spínače / Páčkové spínače
Prázdné plastové kryty
Topení, větrání, chlazení
Světelné zdroje
Optická a Akustická signalizace
Svorkovnice
Komponenty pro kompenzaci
Přístrojové transformátory proudu
Hladinové regulátory
Převodníky protokolu
Zásuvky, zástrčky a prodlužovací kabely
Regulátory teploty a senzory
Ochranné relé
Časová relé
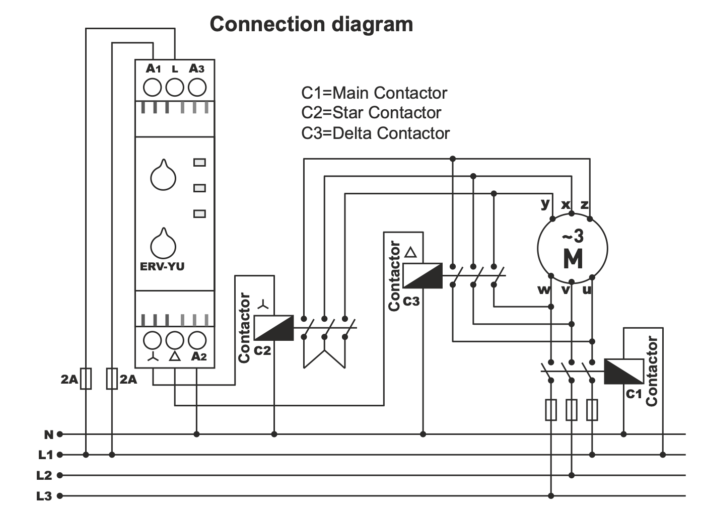
Popis
|
Relé
pro spouštěcí režimy hvězda-trojúhelník (spouštěcí relé elektromotoru)
pracovní napětí 24/220 V AC, indikace režimu ON, HVĚZDA, TROJÚHELNÍK,
nastavení času režimu HVĚZDA. NAPÁJENÍ, ERV-YU. Je
známo, že pro měkký a plynulý start elektromotoru je nutné jej nejprve
zapnout podle schématu HVĚZDA a po určité době, po dosažení nastavených
otáček, přepnout vinutí motoru do režimu TROJÚHELNÍK. Takové schéma spínání
zajišťuje nižší spouštěcí proud, což zvyšuje životnost elektromotoru a
zvyšuje stabilitu celého napájecího systému.
Přepínání
režimů HVĚZDA-TROJÚHELNÍK lze samozřejmě provádět pomocí přepínače, ale při
použití stykačů (spouštěčů) a spouštěcího relé je lepší tento proces
automatizovat.
Pro
ovládání takových stykačů nabízí společnost TENSE spouštěcí relé neboli, jak
se jim také říká, spínací relé hvězda-trojúhelník – ERV - YU. Po
přivedení provozního napětí na kontakty A1 - A2 relé ERV - YU se výstup STAR
připojí ke kontaktu Faz, rozsvítí se kontrolka STAR a začne se odpočítávat
interval zrychlení t1 (0,1 ... 30 s). Po intervalu zrychlení t1 se výstupy
STAR a Faz rozpojí, kontrolka STAR zhasne a začne se odpočítávat interval
pauzy t2 (15 ms). Po uplynutí intervalu připojení t2 se spojí kontakty Faz a
TRIANGLE, rozsvítí se kontrolka TRIANGLE a spouštěcí relé je v tomto stavu,
dokud je na kontakty A1 - A2 přiveden alarm.
|
Pokud potřebujete spouštěče, stykače s mechanickým blokováním, samostatné mechanické blokování nebo kvalitní kovovou skříň s krytím IP65, to vše si můžete u nás také zakoupit za dobrou cenu z našeho skladu.
Technical data
Time range star (t):0.1sec - 30sec
Time range of pause (toff):10msec. - 500msec
Switching contact:max. 5A/250VAC
Operating frequency:50/60 Hz.
Operating power:<6VA
Operating temperature:-20 °C .... +55 °C
